產品特點/Product features-----------------------------------------------------------◆◆
產品概述:
本產品是一種新型的電容式連續物位儀表。由于采用射頻技術和微機技術解決了傳統電容式物位計
溫漂大、標定難、怕粘附的難題,可廣泛應用于各種液體固體物位及界面的連續測量。特別是在高溫、
強腐蝕、粉塵大的環境下進行測量,是其它類型的物位計無法比擬的。
工作原理:
當液位傳感電極安裝在容器中時構成了一個電容器,電極 的金屬棒(測量電極)作為電容器的一個
極板,容器_ :(注: 若容器壁為絕緣材料,則應伸入另一個電極,稱之為參考電 極)作為電容器的另
一個極板,當物位上升時,平常包圍在兩 個極板間的空氣或其它氣體由具有與其不同介電常數,當被測
物料取代極板間介電性的變化而引起電容量發生改變,射頻電 容物位計通過射頻電路檢測到這種電容變
化量并轉換成線性電 流輸出。一般過程介質的相對介電常數應在1. 5以上。
主要特點:
適應性強:可在高溫、高壓、強腐蝕、粉塵大的環境下可靠工作。
標定簡單:可利用任意二點物位一次性完成標定。
無需維護:由于傳感器結構簡單,無可動部件,所以一經投運后無需維護。
應用廣泛:液態、固態物料均可使用。
保護完善:變送器針對隔爆型和本質安全型設計了專用電路, 該電路最大輸出小于30mA。
標準輸出:變送器采用4-20mA/DC標準電流信號輸出,二線制工作,帶負載、抗干擾能力強。
技術參數/Technical parameters-------------------------------------------------------◆◆
傳感器種類:同軸桿式、并列桿式、同軸纜式、并列纜式
傳感器長度:桿式最長為2米、纜式最長為20米
傳感器材質:lCrl8Ni9Ti或316不銹鋼,特氟隆
介質溫度:-20°C-240°C
適用壓力:-0. lMPa-32MPa
測量范圍: 0-0. 2-20m
供電電源:12-36V/DC _
調整范圍:≥30%
量程調整范圍:≥40%
環境溫度:-20-7℃
測量精度:±0. 5%FS
測量介質:電導率不低于10-3s/m的酸、堿、水等非結晶導電液體
最大負載: ≤500Ω
電氣接口:1/2NPT
外殼材質: 壓鑄鋁
外殼噴涂: 主體部分為乳白色聚亞氨酯,端蓋為墨綠色
防護1級: IP65
防爆等級:dIIBT6
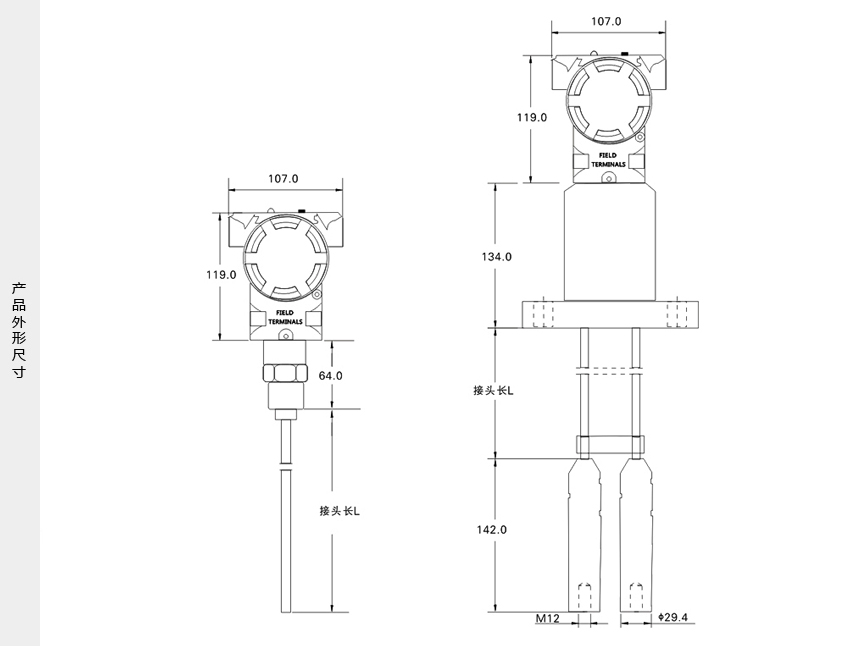
產品外形尺寸/Product dimensions-----------------------------------------------------◆◆








