產品特點/Product features-----------------------------------------------------------◆◆
|
|
1.儀表結構簡單、可靠,無可動部件,工作壽命長。 |
|
2.無截流阻流部件,不存在壓力損失和流體堵塞現象。 |
|
3.無機械慣性,響應快速,穩定性好,可應用于自動檢測、調節程控系統。 |
|
4.測量精度不受被測介質的種類及其溫度、粘度、壓力等物理量參數的影響。 |
|
5.傳感器與表頭連接處單獨設計的密封件,可防止外界濕氣從連接處進入表頭和傳感器。 |
|
6.勵磁線及電極線均采用優質的單芯屏蔽線,可降低干擾,提高信號的潔凈度,從而提高測量精度。 |
|
7.傳感器表面油漆采用金屬氟碳漆,金屬氟碳漆中氟碳樹脂分子連上的氟碳鍵能夠抵抗紫外線的降解作用,表現出極其優異的耐久性、耐紫外線及耐侯性,使金屬氟碳漆涂層長久完美如新,減少維修的要求。 |
|
8.具有雙向流量測量,雙向總量累計功能,內部具有三個積算器可分別顯示正向累積值,反向累積值及差值積算量。 |
|
9.頻率可編程低頻三值波勵磁,提高了流量測量的穩定性,功率損耗低。 |
|
10.采用新型32位ARM+CPLD集成度高,運算速度快,計算精度高。 |
|
11.全數字量處理,抗干擾能力強,測量可靠。 |
|
12.超低EMI開關電源,適用電源電壓變化范圍大,效率高,溫升小,EMC性能好。 |
|
13.中英文菜單操作,使用方便,操作簡單,易學易懂。 |
|
14.高清晰度寬溫型OLED顯示。 |
|
15.使用智能化判斷,不采用測量修正設置,空管報警與電極檢測應用更加便捷。 |
|
16.先進的“粗大誤差處理”技術,能夠切除漿液等流體測量尖狀干擾,減小輸出跳動,保18.持高精度測量并使輸出更加穩定。 |
|
17.具有自檢與自診斷功能。 |
|
18.新的鍵盤處理方式,避免鍵盤操作影響測量。可以進、退位操作菜單,使參數設置更加便捷。 |
|
19.用AD421電流專用芯片使得4-20mA電流輸出更加穩定。 |
|
技術參數/Technical parameters-------------------------------------------------------◆◆
|
|
名稱 |
HYDC電磁流量計 |
|
公稱通徑 |
DN10-DN1800 |
|
介質電導率 |
≥5uS/cm |
|
精確度 |
0.5 級、1.0 級 ( 隨口徑區分 ) |
|
流速范圍 |
0.5-10m/s 推薦1-5m/s |
|
環境溫度 |
傳感器:(-40~+80)℃,轉換器:(-l5~+50)℃ |
|
介質溫度 |
≤100℃ |
|
襯里材料 |
聚四氟乙烯、聚氯丁橡膠、聚氨脂、聚全氟乙丙烯 (F46) PFA |
|
電極材料 |
316L、哈氏合金 C、哈氏合金 B、鈦、鉭、鉑/銥合金、不銹鋼涂覆碳化鎢 |
|
壓力等級 |
DN10-DN400:1.6MPa DN450-DN600:1.0MPa ≥DN700:0.6Mpa特殊規格訂貨時請注明 |
|
殼體材質 |
碳鋼 不銹鋼 |
|
安裝形式 |
一體式;分體式 |
|
通訊 |
RS485(Modbus協議)、HART |
|
輸出信號 |
全隔離(4-20mA電流、脈沖、上下限報警) |
|
負載電阻 |
4-20mA是0-750Ω |
|
消耗功率 |
≤15W |
|
電源 |
220V AC 50HZ、24V DC |
|
顯示器顯示 |
瞬時流量、流速、百分比、空管比、正.反向累積、報警顯示 |
|
防護等級 |
IP65 IP68(需特殊定制) |
|
防爆等級 |
ExⅡBT6 Gb |
|
電器接口 |
M20*1.5 |
|
|
|
|
口徑 |
測量范圍 |
口徑 |
測量范圍 |
口徑 |
測量范圍 |
|
(mm) |
(m 3 /h) |
(mm) |
(m 3 /h) |
(mm) |
(m 3 /h) |
|
DN10 |
0.14 ~ 1.40 |
DN125 |
22.08~ 441.56 |
DN700 |
692.37 ~13847.40 |
|
DN15 |
0.32 ~ 6.36 |
DN150 |
31.79~ 635.85 |
DN800 |
904.32~ 18086.40 |
|
DN20 |
0.57~ 11.30 |
DN200 |
56.52 ~ 1130.4 |
DN900 |
1144.5~ 22890.60 |
|
DN25 |
0.88~ 17.66 |
DN250 |
88.31 ~ 1766.25 |
DN1000 |
1413.0~ 28260.00 |
|
DN32 |
1.45~ 28.94 |
DN300 |
127.17~ 2543.40 |
DN1200 |
2034.7~ 40694.40 |
|
DN40 |
2.26~ 45.22 |
DN350 |
173.09~ 3461.85 |
DN1400 |
2769.4~ 55389.60 |
|
DN50 |
3.35~ 70.65 |
DN400 |
226.08~ 4521.60 |
DN1600 |
3617.2~ 72345.60 |
|
DN65 |
5.97~ 119.40 |
DN450 |
286.31~ 5722.65 |
DN1800 |
4578.1~ 91562.40 |
|
DN80 |
9.04~ 180.86 |
DN500 |
353.25~ 7065.00 |
|
|
|
DN100 |
14.13 ~ 282.60 |
DN600 |
508.68~ 10173.6 |
|
|
|
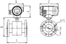
產品外形尺寸/Product dimensions-----------------------------------------------------◆◆
|
|
一體型 |
 |
A=155mm |
|
B=200mm |
|
C=240mm |
|
總高=H+A |
|
分體型 |
 |
A=85mm |
|
B=155mm |
|
C=115mm |
|
總高=H+A |
|
|
|
|
公稱通徑DN |
壓力等級 |
法蘭外徑D |
螺栓孔中心圓直徑K |
螺栓孔 n-L |
總長L |
高度H |
參考重量kg |
|
10 |
PN40 |
90 |
60 |
4-φ14 |
200 |
190 |
10 |
|
15 |
PN40 |
95 |
65 |
4-φ14 |
200 |
190 |
10 |
|
20 |
PN40 |
105 |
75 |
4-φ14 |
200 |
190 |
10 |
|
25 |
PN40 |
110 |
85 |
4-φ14 |
200 |
200 |
10 |
|
32 |
PN40 |
140 |
100 |
4-φ18 |
200 |
205 |
11 |
|
40 |
PN40 |
150 |
110 |
4-φ18 |
200 |
215 |
12 |
|
50 |
PN40 |
165 |
125 |
4-φ18 |
200 |
220 |
15 |
|
65 |
PN16 |
185 |
145 |
4-φ18 |
200 |
240 |
16 |
|
80 |
PN16 |
200 |
160 |
8-φ18 |
200 |
255 |
18 |
|
100 |
PN16 |
220 |
180 |
8-φ18 |
250 |
270 |
20 |
|
125 |
PN16 |
250 |
210 |
8-φ18 |
250 |
300 |
25 |
|
150 |
PN16 |
285 |
240 |
8-φ22 |
300 |
330 |
30 |
|
200 |
PN16 |
340 |
295 |
12-φ24 |
350 |
390 |
45 |
|
250 |
PN16 |
405 |
355 |
12-φ26 |
450 |
450 |
65 |
|
300 |
PN16 |
460 |
410 |
12-φ28 |
500 |
500 |
79 |
|
350 |
PN16 |
520 |
470 |
16-φ30 |
550 |
520 |
95 1 |
|
400 |
PN16 |
580 |
525 |
16-φ32 |
600 |
635 |
40 |
|
450 |
PN10 |
615 |
565 |
20-φ26 |
600 |
685 |
150 |
|
500 |
PN10 |
670 |
620 |
20-φ26 |
600 |
750 |
170 |
|
600 |
PN10 |
780 |
725 |
20-φ30 |
600 |
830 |
200 |
|
700 |
PN6.0 |
860 |
810 |
24-φ26 |
700 |
890 |
335 |
|
800 |
PN6.0 |
975 |
920 |
24-φ30 |
800 |
1095 |
440 |
|
900 |
PN6.0 |
1075 |
1020 |
24-φ30 |
900 |
1195 |
568 |
|
1000 |
PN6.0 |
1175 |
1120 |
28-φ30 |
1000 |
1295 |
758 |
|
1200 |
PN6.0 |
1405 |
1340 |
32-φ33 |
1200 |
1395 |
875 |
|
1400 |
PN6.0 |
1630 |
1560 |
36-φ36 |
1400 |
1595 |
1235 |
|
1600 |
PN6.0 |
1830 |
1760 |
40-φ36 |
1600 |
1700 |
1650 |
|
1800 |
PN6.0 |
2045 |
1970 |
44-φ39 |
1800 |
1930 |
1790 |
|
|
1.上表所有數據僅基于標準型傳感器 |
|
2.其他未列出的壓力等級,尺寸可能會不同 |
|
3.對于口徑較小的傳感器,表頭的尺寸可能大于傳感器 |
|
注:以上尺寸為參考尺寸,如有特殊選型該值可能會有所不同 |
|
產品選型/product selection----------------------------------------------------------◆◆
|
|
|
|
|
|
襯里材料 |
主要性能 |
最高介質溫度 |
適用范圍 |
|
一體型 |
分離型 |
|
聚四氟乙烯(F4) |
1.是化學性能最穩定的一種塑料,能耐沸騰的鹽酸、硫酸、硝酸和王水,也能耐濃堿和各種有機溶劑。不耐三氟化氯、高溫三氟化氯、高速液氟、液氧、臭氧的腐蝕。 |
70℃ |
100℃ 150℃ (需特殊訂貨) |
1.濃酸、堿等強腐蝕性介質
2. 衛生類介質
|
|
2.耐磨性能不如聚氨酯橡膠。 |
|
3.抗負壓能力不如聚氯丁橡膠。 |
|
聚全氟乙丙類烯(F46) |
|
同上 |
|
|
聚氟合乙烯(Fs) |
適用溫度上限較聚四氟乙烯低, 但成本也較低。 |
80℃ |
|
|
聚氯丁橡膠 |
1.有極好的彈性,高度的扯斷力,耐磨性能好。 |
80℃ 120℃ (需特殊 訂貨) |
水、污水、耐磨損性的泥漿礦漿 |
|
2.耐一般低濃度酸、堿、鹽介質腐蝕,不耐氧化性介質的腐蝕。 |
|
聚氨酯橡膠 |
1.耐磨性能極強 。 |
80℃ |
中性強磨損的礦漿、煤漿、 泥漿 |
|
2.耐腐蝕性能較差。 |
|
|
|
|
電極材料 |
耐蝕及耐磨性能 |
|
不銹鋼 0Cr18Ni12Mo2Ti |
用于工業用水、生活用水、污水等具有弱腐蝕性的介質,適用于石油、化工、鋼鐵等工業部門及市政、環保等領域。 |
|
哈氏合金B |
對沸點以下的一切濃度的鹽酸有良好的耐蝕性,也耐硫酸、磷酸、氫氟酸、有機酸等非氯化性酸、堿,非氧化性鹽液的腐蝕。 |
|
哈氏合金C |
能耐非氧化性酸,如硝酸、混酸、或鉻酸與硫酸的混合介質的腐蝕,也耐氧化性鹽類如Fe+++、Cu++下或含其他氧化類的腐蝕,如高于常溫的次氯酸鹽溶液、海水的腐蝕。 |
|
鈦 |
能耐海水、各種氯化物和次氯酸鹽、氧化性酸(包括發煙硫酸)、有機酸、堿的腐蝕。不耐較純的還原性酸(如硫酸、鹽酸)的腐蝕,但如酸中含有氧化劑(如硝酸、Fe+++、Cu++)時,則腐蝕大為降低。 |
|
鉭 |
具有優良的耐腐蝕性,和玻璃很相似。除了氫氟酸、發煙硫酸、堿外,幾乎能耐一切化學介質(包括沸點的鹽酸、硝酸和150℃一下的硫酸)的腐蝕。在堿中不耐蝕。 |
|
鉑/銥合金 |
幾乎能耐一切化學介質,但不適用與王水和銨鹽。 |
|
不銹鋼涂覆 |
用于無腐蝕性,強磨損性的介質。 |
|
注:由于介質種類繁多,其腐蝕性又受溫度、濃度、流速等復雜因素影響而變化,故本表僅供參考。用戶應根據實際情況自己做出選擇,必要時應做擬選材料的耐腐試驗,如掛片試驗。 |
|
安裝方式/Installation method---------------------------------------------------------◆◆
|
|
★通用要求 |
|
a、為了安裝、維護、保養方便,在流量計周圍需保留足夠的空間 |
|
b、避免流量計安裝在溫度變化很大或受到設備高溫輻射的場所 |
|
c、流量計應安裝在室內,如安裝在室外,應避免陽光直射,必要時請安裝防曬裝置 |
|
d、避免流量計安裝在含有腐蝕性氣體的環境中 |
|
e、避免流量計安裝在有強振動源、強磁場的場所 |
|
|
|
★工藝管要求 |
|
a、 上、下游工藝管的內徑與流量計的內徑應滿足:0.98DN≤D≤1.05DN(DN:流量計內徑;D:工藝管內徑) |
|
b、工藝管與流量計需同心,同軸偏差不大于0.05DN |
|
|
|
|
★直管段 |
|
使用直管段可防止介質因彎管、TT型三通、截止閥、變徑管的影響而產生渦流或失真 |
 |
|
|
 |
|
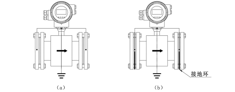
★接地 |
|
流量計必須按規定接地,以保證流量計可靠的工作、防止操作人員收到電擊 |
 |
|
a.無內壁涂層或襯里的金屬管道,不使用接地環進行接地。 |
|
b.帶內壁涂層或襯里的金屬管道和絕緣管道,使用接地環進行接地。 |
|
接線指南/Wiring guide-----------------------------------------------------------------◆◆
|
|
a.電磁流量轉換器的接線必須由專業技術人員完成。 |
|
b.所有接線應在切斷供電電源后進行;按說明書正確牢固連接。 |
|
c.旋緊出線套的壓緊螺母和端蓋,保持轉換器良好密封。 |
|
d.應在有可能遭受雷擊浪涌的線路上安裝浪涌抑制器件。 |
|
e.在供電前還應再次檢查所有接線準確無誤。 |
|
 |
|
圓形一體轉換器的接線端子圖 |
方形分體轉換器的接線端子圖 |
|
|
|
|
關于有源無源4-20mA重要說明: |
|
電磁流量計是4線制儀表不同于兩線制儀表的4-20mA,兩線制4-20mA儀表需要測量電流表同時需要外接24V電源才可以正常工作,而電磁流量計本身是4線制4-20mA內部已經有24V電源無需外接只需要接一個單純的電流表即可。無特殊定制說明本公司生產電磁流量計都是有源4-20mA不需要外接24V電源否則將燒壞儀表。 |
|
|
|
|
|
① 一體電磁流量計有源4-20mA輸出接線(一體電磁流量計默認情況下是有源4-20mA用戶設備電流表不能有電源輸出) |
|
② 一體電磁流量計無源4-20mA輸出接線 (一體電磁流量計無源4-20mA需要在訂貨時說明否則是有源4-20mA輸出) |
 |
|
 |
|
|
|
|
|
③ 分體電磁流量計有源4-20mA輸出接線(分體電磁流量計無需特殊定制同時支持有源和無源4-20mA) |
|
④ 分體電磁流量計無源4-20mA輸出接線 (分體電磁流量計無需特殊定制同時支持有源和無源4-20mA) |
 |
|
 |
|
|
|
⑤ 用戶設備怎么判斷需要有源電流輸出還是無源電流輸出? |
|
a.斷開電磁流量計與用戶設備4-20mA連接線確保用戶設備處于開路狀態。 |
|
b.用數字萬用表電壓檔測量用戶設備4-20mA連接線是否有24V左右電壓。 |
|
c.如果有24V左右電壓則需要定無源電流輸出否則需要定有源電流輸出; |
|
運輸方式/type of shipping------------------------------------------------------------◆◆
|
|
a.請勿通過一體轉換器外殼抬起流量計 |
|
b.請勿使用金屬吊鏈 |
|
c.請使用皮質吊帶吊裝流量計 |
 |
|